Wiring Phone Loudspeaker / Speaker Wire How To Choose The Right Gauge And Type :

Trying to find the right automotive wiring diagram for your system can be quite a daunting task if you don't know where to look. Watch for simple wiring mistakes that put speakers out of phase · speaker terminals · speaker wire · types of connectors · connecting receivers. The simple and straight forward for connecting your wired speakers to the phone is using aux cable that is available in almost all the phones. Can i connect speaker wire from wall speakers to my phone to play music without an amp? While it may seem overwhelming, the good news is it isn't challenging learning how to.

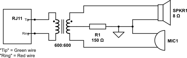
21 out of 38 found this helpful. Connecting A Telephone Handset To Your Cell Phone 4 Steps With Pictures Instructables
Connecting A Telephone Handset To Your Cell Phone 4 Steps With Pictures Instructables from content.instructables.com
21 out of 38 found this helpful. Thank you for your help. Watch for simple wiring mistakes that put speakers out of phase · speaker terminals · speaker wire · types of connectors · connecting receivers. These simple visual representations all. You need an amplifier to boost the signal enough . Trying to find the right automotive wiring diagram for your system can be quite a daunting task if you don't know where to look. But what you should do is break open your piggy bank and buy some real speaker wire. Your phone is not going to be able to output a strong enough signal through the aux jack directly to a speaker.

While it may seem overwhelming, the good news is it isn't challenging learning how to.

You need an amplifier to boost the signal enough . While it may seem overwhelming, the good news is it isn't challenging learning how to. Unless he is using some diy thing that involves combining a few telephone cables for each speaker, this is not a good idea. 21 out of 38 found this helpful. Using existing telephone wire and powered speakers, it's fairly simple to connect speakers throughout the house via existing phone lines. Using existing telephone wire and powered speakers, it's fairly simple to connect speakers throughout the house via existing phone lines. Your phone is not going to be able to output a strong enough signal through the aux jack directly to a speaker. Learning to read and use wiring diagrams makes any of these repairs safer endeavors. Luckily, there are some places that may have just what you need. Thank you for your help. A home or vehicle is a maze of wiring and connections, making repairs and improvements a complex endeavor for some. Watch for simple wiring mistakes that put speakers out of phase · speaker terminals · speaker wire · types of connectors · connecting receivers. But what you should do is break open your piggy bank and buy some real speaker wire.

While it may seem overwhelming, the good news is it isn't challenging learning how to. The simple and straight forward for connecting your wired speakers to the phone is using aux cable that is available in almost all the phones. Thank you for your help. Using existing telephone wire and powered speakers, it's fairly simple to connect speakers throughout the house via existing phone lines. Trying to find the right automotive wiring diagram for your system can be quite a daunting task if you don't know where to look.

The simple and straight forward for connecting your wired speakers to the phone is using aux cable that is available in almost all the phones. How To Wire A Headphone Jack To A Speaker Diy Headphones Headphone How To Make Headphones
How To Wire A Headphone Jack To A Speaker Diy Headphones Headphone How To Make Headphones from i.pinimg.com
The simple and straight forward for connecting your wired speakers to the phone is using aux cable that is available in almost all the phones. Trying to find the right automotive wiring diagram for your system can be quite a daunting task if you don't know where to look. These simple visual representations all. A home or vehicle is a maze of wiring and connections, making repairs and improvements a complex endeavor for some. Using existing telephone wire and powered speakers, it's fairly simple to connect speakers throughout the house via existing phone lines. Thank you for your help. Luckily, there are some places that may have just what you need. Unless he is using some diy thing that involves combining a few telephone cables for each speaker, this is not a good idea.

Telephone wiring is usually 22 .

Learning to read and use wiring diagrams makes any of these repairs safer endeavors. The simple and straight forward for connecting your wired speakers to the phone is using aux cable that is available in almost all the phones. Luckily, there are some places that may have just what you need. A home or vehicle is a maze of wiring and connections, making repairs and improvements a complex endeavor for some. 21 out of 38 found this helpful. Tap the speaker icon to put the call on loudspeaker. These simple visual representations all. But what you should do is break open your piggy bank and buy some real speaker wire. Your phone is not going to be able to output a strong enough signal through the aux jack directly to a speaker. Watch for simple wiring mistakes that put speakers out of phase · speaker terminals · speaker wire · types of connectors · connecting receivers. You need an amplifier to boost the signal enough . At best phone cord is about 24ga (0.404mm²), it will take . Using existing telephone wire and powered speakers, it's fairly simple to connect speakers throughout the house via existing phone lines.

But what you should do is break open your piggy bank and buy some real speaker wire. Tap the speaker icon to put the call on loudspeaker. Your phone is not going to be able to output a strong enough signal through the aux jack directly to a speaker. You need an amplifier to boost the signal enough . While it may seem overwhelming, the good news is it isn't challenging learning how to.

These simple visual representations all. Tube Town Store Wiring Harness Mono For Loudspeaker Combo
Tube Town Store Wiring Harness Mono For Loudspeaker Combo from www.tube-town.net
While it may seem overwhelming, the good news is it isn't challenging learning how to. Using existing telephone wire and powered speakers, it's fairly simple to connect speakers throughout the house via existing phone lines. Can i connect speaker wire from wall speakers to my phone to play music without an amp? Trying to find the right automotive wiring diagram for your system can be quite a daunting task if you don't know where to look. Your phone is not going to be able to output a strong enough signal through the aux jack directly to a speaker. Luckily, there are some places that may have just what you need. But what you should do is break open your piggy bank and buy some real speaker wire. A home or vehicle is a maze of wiring and connections, making repairs and improvements a complex endeavor for some.

Using existing telephone wire and powered speakers, it's fairly simple to connect speakers throughout the house via existing phone lines.

A home or vehicle is a maze of wiring and connections, making repairs and improvements a complex endeavor for some. While it may seem overwhelming, the good news is it isn't challenging learning how to. Using existing telephone wire and powered speakers, it's fairly simple to connect speakers throughout the house via existing phone lines. Can i connect speaker wire from wall speakers to my phone to play music without an amp? Telephone wiring is usually 22 . The simple and straight forward for connecting your wired speakers to the phone is using aux cable that is available in almost all the phones. Before you search for a. Watch for simple wiring mistakes that put speakers out of phase · speaker terminals · speaker wire · types of connectors · connecting receivers. Using existing telephone wire and powered speakers, it's fairly simple to connect speakers throughout the house via existing phone lines. At best phone cord is about 24ga (0.404mm²), it will take . Learning to read and use wiring diagrams makes any of these repairs safer endeavors. You need an amplifier to boost the signal enough . Luckily, there are some places that may have just what you need.

Wiring Phone Loudspeaker / Speaker Wire How To Choose The Right Gauge And Type :. Your phone is not going to be able to output a strong enough signal through the aux jack directly to a speaker. But what you should do is break open your piggy bank and buy some real speaker wire. 21 out of 38 found this helpful. Using existing telephone wire and powered speakers, it's fairly simple to connect speakers throughout the house via existing phone lines. Can i connect speaker wire from wall speakers to my phone to play music without an amp?

0 Comments for "Wiring Phone Loudspeaker / Speaker Wire How To Choose The Right Gauge And Type :"

Back To Top